Как создать эффективный водопроводный колодец — основные этапы и особенности чертежа
Содержание
- Что такое водопроводный колодец?
- Виды водопроводных колодцев
- Колодец для водоснабжения
- Колодец для системы отопления
- Колодец для водоотведения
- Где нужен водопроводный колодец?
- Характеристики водопроводного колодца
- Материалы, используемые для изготовления колодцев
- Размеры и глубина колодцев
- Как правильно установить водопроводный колодец?
- Вопрос-ответ:
- Как правильно построить водопроводный колодец?
- Какие материалы необходимы для постройки водопроводного колодца?
- Какой размер должен быть водопроводный колодец?
- Сколько стоит построить водопроводный колодец?
- Какие параметры должен иметь водопроводный колодец?
- Какой чертеж водопроводного колодца лучше использовать?
- Какой материал лучше всего использовать для изготовления водопроводного колодца?
- Могу ли я самостоятельно построить водопроводный колодец?
- Видео:
Колодец – это источник водоснабжения, который представляет собой специально оборудованную конструкцию, способную хранить воду. Он широко используется для получения питьевой, технической и использования в сельском хозяйстве жидкости. Колодцы существуют в разных формах и материалах, но их главная цель всегда остается неизменной – обеспечить доступ к чистой и качественной воде.
Чтобы улучшить качество воды и обеспечить удобство использования, разработано множество вариантов водопроводных колодцев с различными особенностями и функциональностью. Одним из таких вариантов является колодец Kolodec. Этот колодец имеет уникальный дизайн и функциональность, что делает его особенно популярным среди домовладельцев и садоводов.
Чертеж водопроводного колодца Kolodec поможет вам понять его устройство и правильно установить его на своей территории. На чертеже вы найдете подробные размеры и инструкции по установке, которые помогут вам правильно подготовить место и обеспечить надежные коммуникации.
Что такое водопроводный колодец?
Внешне водопроводный колодец может представлять собой кирпичное сооружение с крышей или простой бетонный блок с крышкой. Глубина и размеры колодца могут варьироваться в зависимости от потребностей и особенностей местности.
Зачем нужен водопроводный колодец?
Основная цель водопроводного колодца — обеспечение резерва воды для случаев отключения водоснабжения или других чрезвычайных ситуаций. В частных домах или садовых участках колодец может использоваться для полива растений или подачи воды в садовый пруд.
Кроме того, водопроводный колодец позволяет экономить воду и управлять своим водоснабжением. Например, в периоды дождей или низкого потребления воды, можно накопить большой запас воды в колодце. А в сухие периоды или при повышенном расходе воды, можно использовать запасы из колодца, чтобы не перегружать водопроводную систему.
Как работает водопроводный колодец?
Водопроводный колодец подключается к водопроводной системе с помощью специальных труб и кранов. При поступлении воды в колодец она проходит через фильтры и очистители, чтобы удалить песок, грязь и другие примеси. Затем чистая вода накапливается в колодце и становится доступной для использования.
Для контроля уровня воды в колодце часто устанавливаются специальные датчики или маркировки. Это позволяет знать, когда нужно дополнить запасы воды или когда есть избыток, который можно использовать. Также некоторые колодцы оборудованы насосами для подачи воды по необходимости.
Виды водопроводных колодцев
Кольцевой колодец
Кольцевой колодец является наиболее распространенным и удобным в использовании. Он имеет круглую форму и оснащен крышкой для легкого доступа к внутренней части. Кольцевые колодцы часто используются для установки вентилей, фильтров и других элементов системы водоснабжения.
Прямоугольный колодец
Прямоугольный колодец отличается от кольцевого формой и конструкцией. Он имеет прямоугольную или квадратную форму и может быть изготовлен из железобетона или кирпича. Прямоугольные колодцы часто используются для установки оборудования для контроля и регулирования водоснабжения.
Одностенные и двойные колодцы
Колодцы могут быть одностенными или двойными. Одностенный колодец представляет собой один слой из железобетона, а двойной колодец имеет два слоя, разделенных воздушным пространством. Двойные колодцы обеспечивают лучшую изоляцию и защиту от внешних воздействий, но требуют больше материалов для изготовления.
Выбор видов водопроводных колодцев зависит от многих факторов, таких как инфраструктура, климатические условия и требования системы водоснабжения. Оптимальный выбор поможет обеспечить надежное и эффективное функционирование системы.
Колодец для водоснабжения
Построенный правильно, колодец может быть надежным и устойчивым источником питьевой воды. Колодцы могут быть различных типов: артезианские, скважинные или буровые. Каждый из них имеет свои особенности и требования к строительству.
Основные составляющие колодца
Колодец состоит из нескольких основных составляющих:
- Стенка колодца, обеспечивающая сохранность колодца;
- Крышка, которая защищает колодец от попадания в него посторонних предметов и загрязнений;
- Устройство для подъема ведра или насоса для извлечения воды;
- Фильтр или насосная станция для очистки воды от механических и химических примесей.
Преимущества колодцев для водоснабжения
Использование колодца для водоснабжения имеет следующие преимущества:
- Экономия средств на оплату коммунальных услуг;
- Независимость от централизованных систем водоснабжения;
- Высокое качество питьевой воды;
- Возможность использования воды для полива и других нужд;
- Долговечность и надежность.
Водопроводный колодец является важным элементом для обеспечения вашего дома или участка чистой питьевой водой. Правильное проектирование и строительство колодца гарантируют надежность и долговечность его работы, необходимые для комфортного использования. Регулярное обслуживание и проверка состояния колодца также необходимы для поддержания его производительности и безопасности.
Колодец для системы отопления
Функции колодца для системы отопления:
1. Контроль температуры и давления: В колодце устанавливаются датчики и манометры для контроля температуры и давления горячей воды. Это позволяет оперативно выявлять и предотвращать проблемы, такие как перегрев или перепады давления в системе отопления.
2. Запуск и остановка отопительного оборудования: Колодец оборудуется клапанами и регулирующими устройствами, которые позволяют запускать и останавливать работу котла или теплогенератора. Это упрощает обслуживание системы и экономит энергию.
Преимущества использования колодца для системы отопления:
1. Безопасность: Контроль температуры и давления позволяет предотвратить опасные ситуации, такие как перегрев или взрыв системы отопления. Кроме того, возможность запуска и остановки оборудования облегчает обслуживание и предотвращает возможные аварии.
2. Эффективность: Использование колодца позволяет более точно регулировать температуру и давление в системе отопления, что ведет к повышению ее эффективности и экономии энергии.
3. Удобство: Колодец представляет собой удобное место для установки датчиков и манометров, что упрощает их обслуживание и контроль. Кроме того, возможность запуска и остановки отопительного оборудования из колодца облегчает работу с системой.
Важно помнить, что колодец для системы отопления должен быть правильно спроектирован и установлен профессионалами, чтобы обеспечить максимальную безопасность и эффективность работы системы отопления.
Колодец для водоотведения
Преимущества колодца для водоотведения:
1. Сбор дождевой воды. Колодец способен собирать значительное количество дождевой воды, которая может быть использована для полива растений или других бытовых нужд. Это помогает сэкономить воду из основной системы снабжения и защищает окружающую среду.
2. Предотвращение затопления. Колодец позволяет эффективно отводить лишнюю воду с участка, предотвращая затопление и сохраняя дом и другие постройки сухими. Он предотвращает размывание почвы и уменьшает риск возникновения проблем с фундаментом.
Как создать колодец для водоотведения:
Шаг 1. Выбор места. Необходимо выбрать оптимальное место для установки колодца, учитывая направление стока воды и расстояние до дома и других объектов.
Шаг 2. Рытье ямы. Нужно вырыть яму под колодец достаточной глубины и диаметра, учитывая объем воды, который планируется отвести.
Шаг 3. Установка колодца. После рытья ямы следует установить колодец, установив его на подготовленный грунт и закрепив его кольцами или бетонными связями.
Шаг 4. Подключение стока. Необходимо подключить систему стока к колодцу, обеспечивая свободное оттока воды. Это может быть система дренажных труб или другие конструкции.
Шаг 5. Засыпка ямы. В конце работы нужно засыпать яму и плотно утрамбовать грунт.
Следуя этим шагам, можно создать эффективный и надежный водоотводный колодец на дачном участке. Он поможет поддерживать оптимальную влажность почвы, предотвращать затопление и защитить вашу собственность от возможных проблем с водой.
Где нужен водопроводный колодец?
Главными объектами, где необходим установленный водопроводный колодец, являются:
- Частные дома и коттеджи. Водопроводный колодец позволяет безопасно выполнять работы по подключению и обслуживанию водопроводной системы.
- Дачные участки и садовые кооперативы. В случае отсутствия централизованного водоснабжения, необходимость в водопроводных колодцах становится особенно актуальной.
- Промышленные предприятия. Колодцы позволяют оперативно проводить работы по ремонту и обновлению водопроводных систем на предприятиях.
- Городские и сельские водопроводные сети. Колодцы служат местоположениями заслонок, клапанов и других узлов водопроводных сетей, обеспечивая простой доступ к ним.
Водопроводный колодец – это надежное и функциональное сооружение, которое играет важную роль в обеспечении нормального функционирования водоснабжения и обслуживания коммуникаций. Его использование в различных объектах позволяет снизить время и затраты на проведение работ и обеспечивает оперативный доступ к системе водоснабжения для обслуживающего персонала.
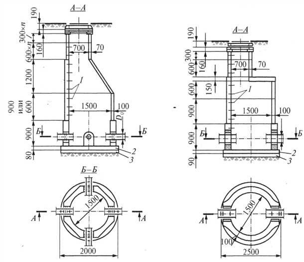
Характеристики водопроводного колодца
Водопроводный колодец представляет собой конструкцию, которая используется для установки и обслуживания элементов водопроводной системы. Он предназначен для защиты ключевых узлов водопровода, таких как клапаны, фильтры и насосы, от внешних воздействий и обеспечения доступа для обслуживания и ремонта.
Основные характеристики водопроводного колодца:
- Глубина. Водопроводные колодцы могут иметь различную глубину, которая выбирается в зависимости от глубины укладки водопроводных труб и размеров устанавливаемого оборудования.
- Диаметр. Размер диаметра водопроводного колодца определяется требованиями проекта и необходимым пространством для установки и обслуживания оборудования.
- Материал. Водопроводные колодцы могут быть изготовлены из различных материалов, таких как бетон, пластик или металл. Выбор материала зависит от требований прочности, долговечности и стоимости.
- Крышка. Водопроводные колодцы оборудуются специальными крышками, которые служат для защиты от попадания воды, грязи и посторонних предметов. Крышки должны быть легкоразъемными и обеспечивать удобный доступ для обслуживания.
- Уплотнения. Водопроводные колодцы оснащаются уплотнениями для предотвращения проникновения грунта, влаги и других веществ внутрь колодца. Уплотнения должны обеспечивать надежную герметичность и долговечность конструкции.
Характеристики водопроводного колодца должны соответствовать требованиям проекта и обеспечивать надежность и безопасность работы системы водоснабжения. Правильный выбор и установка колодца позволит обеспечить эффективное и бесперебойное функционирование водопровода.
Материалы, используемые для изготовления колодцев
Для изготовления водопроводных колодцев часто используются различные материалы, в зависимости от их прочности, долговечности и цены. Ниже приведены некоторые из наиболее распространенных материалов, которые используются при строительстве колодцев.
| Материал | Описание |
|---|---|
| Бетон | Один из самых распространенных материалов для изготовления колодцев. Бетонные колодцы обладают высокой прочностью и стойкостью к различным воздействиям, таким как давление грунта и химические вещества. |
| Пластик | Полимерные колодцы изготавливают из прочного и долговечного пластика, который не подвержен коррозии. Они обычно легкие и легко монтируются. |
| Чугун | Чугунные колодцы известны своей высокой прочностью и устойчивостью к механическим воздействиям. Они также обладают хорошей устойчивостью к коррозии и ультрафиолетовому излучению. |
| Керамика | Керамические колодцы обычно изготавливают из керамического кирпича. Они отличаются прочностью и устойчивостью к химическим веществам. Однако они могут быть более хрупкими и требовать более тщательного обращения при монтаже. |
| Стеклопластик | Колодцы из стеклопластика являются легкими, прочными и устойчивыми к различным химическим веществам и коррозии. Они также обладают хорошей теплоизоляцией. |
Выбор материала для изготовления колодца зависит от конкретных требований проекта, таких как водопропускная способность, радиус и глубина колодца, а также бюджет.
Размеры и глубина колодцев
Водопроводные колодцы представляют собой специальные сооружения, предназначенные для осуществления доступа к водопроводным системам. Размеры и глубина колодцев могут существенно варьироваться в зависимости от их назначения и конкретных требований.
Обычно водопроводные колодцы имеют квадратную или прямоугольную форму. Размеры колодцев определяются исходя из необходимости обеспечения пространства для размещения оборудования и выполнения ремонтных работ. Типичные размеры колодцев варьируются от 1 до 3 метров в длину и ширину.
Глубина колодцев также может значительно отличаться в зависимости от конкретных условий. Обычно глубина колодцев составляет от 2 до 5 метров. Однако в некоторых случаях они могут быть более глубокими, особенно если предусматривается установка насосного оборудования или других элементов системы.
Важно отметить, что при проектировании водопроводных систем необходимо учесть не только размеры колодцев, но и требования к их устойчивости и безопасности. Конструкция и материалы, используемые при строительстве колодцев, должны обеспечивать их надежность и долговечность, а также удовлетворять санитарным и экологическим нормам.
Все указанные параметры размеров и глубины колодцев должны быть определены в соответствии с соответствующими нормативными документами и рекомендациями проектных организаций. Точные требования могут различаться в зависимости от географического положения, климатических условий и других факторов, поэтому перед проектированием необходимо провести необходимые исследования и консультации с экспертами.
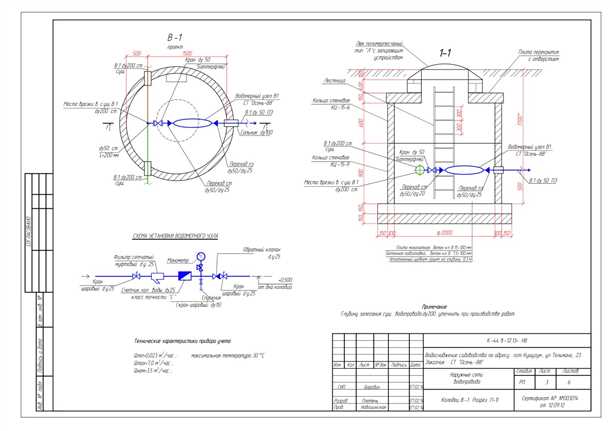
Как правильно установить водопроводный колодец?
- Подготовка места установки. Перед установкой колодца необходимо определить его местоположение и очистить место от растительности и других препятствий. Также стоит обратить внимание на глубину подземных коммуникаций, чтобы не повредить их при установке колодца.
- Выкопка ямы. Следующим шагом является выкопка подходящей глубины и размера ямы для колодца. Размеры ямы зависят от размеров колодца и требований проекта. Основная глубина ямы должна быть достаточной для установки колодца и обеспечения доступа к воде.
- Подготовка основания. После выкопки ямы необходимо приготовить подготовленное основание. На дне ямы рекомендуется уложить песок или щебень с целью повышения устойчивости колодца. Также следует установить стяжные кольца и укрепить их при помощи цемента.
- Установка колодца. После подготовки основания можно приступать к установке самого колодца. Колодец следует опускать осторожно и равномерно, контролируя горизонтальное положение. После установки колодца необходимо связать его с водопроводной системой и проверить герметичность соединений.
- Завершение работ. После установки колодца нужно засыпать свободное пространство вокруг его стенок слоем песка или гравия и засыпать яму обратно. На поверхности следует установить колодезную крышку для защиты от внешних воздействий и обеспечения доступа к колодцу для технического обслуживания.
Отметим, что установка водопроводного колодца является сложным процессом, требующим определенных навыков и знаний. Поэтому, при необходимости, всегда рекомендуется обратиться к профессиональным специалистам.
Вопрос-ответ:
Как правильно построить водопроводный колодец?
Какие материалы необходимы для постройки водопроводного колодца?
Какой размер должен быть водопроводный колодец?
Сколько стоит построить водопроводный колодец?
Какие параметры должен иметь водопроводный колодец?
Какой чертеж водопроводного колодца лучше использовать?
Какой материал лучше всего использовать для изготовления водопроводного колодца?
Могу ли я самостоятельно построить водопроводный колодец?
Видео:
Как подобрать водопроводный колодец
Шокирующее расследование. Путина настигнет месть. Буданов: ответ будет скоро!
-
Колодцы канализационные железобетонные типовой — обзор, особенности и преимущества -
Колодец в сельской местности — как правильно оформить и обустроить водоисточник на своем участке -
Как выбрать и установить насосы для колодцев? Лучшие советы и рекомендации от экспертов










