Алгоритм расчета эффективного насоса для безаварийного водоснабжения — руководство по выбору со optimum характеристиками и достаточной производительностью
Содержание
- Выбор насоса для водоснабжения
- Преимущества водоснабжения через насос
- Как правильно выбрать насос для водоснабжения
- Главные критерии выбора насоса
- Примеры насосов для водоснабжения
- Как осуществляется установка насоса для водоснабжения
- Поддержка и обслуживание насоса для водоснабжения
- Расчет мощности насоса для водоснабжения
- Стоимость и гарантия насосов для водоснабжения
- Вопрос-ответ:
- Как рассчитать мощность насоса для водоснабжения?
- Какую мощность насоса выбрать для водоснабжения загородного дома?
- Как определить высоту подъема воды для расчета насоса?
- Можно ли использовать насос меньшей мощности для водоснабжения?
- Какой насос выбрать для водоснабжения дома?
- Как рассчитать необходимую производительность насоса для водоснабжения дачи?
- Какую мощность должен иметь насос для водоснабжения загородного дома?
- Можно ли самостоятельно рассчитать необходимый насос для водоснабжения?
- Какие параметры необходимо учесть при выборе насоса для водоснабжения коттеджа?
- Видео:
В наше время водоснабжение играет огромную роль в повседневной жизни человека. Каждый день мы пользуемся водой, исходящей из крана, но мало кто задумывается, как происходит ее доставка до нашего дома. Одним из ключевых элементов системы водоснабжения является насос. Именно он отвечает за движение воды из источника в краны наших домов.
Расчет насоса для водоснабжения — это важный этап проектирования системы водоснабжения. В случае неправильного выбора насоса, он может не справиться с подачей необходимого количества воды или, наоборот, работать с излишней мощностью, что приведет к перегрузке и выходу из строя. В обоих случаях это будет негативно сказываться на качестве и стабильности водоснабжения.
Расчет насоса для водоснабжения включает в себя учет нескольких ключевых параметров, таких как максимальное давление в системе, допустимая пропускная способность трубопроводов, глубина источника воды и длина подводящих труб. Кроме того, важно учесть дополнительные факторы, такие как вероятность сезонных колебаний напора и изменение потребления воды со временем.
Выбор насоса для водоснабжения
Первым шагом при выборе насоса для водоснабжения является определение необходимой производительности насоса. Это зависит от количества потребителей в системе и требуемого объема воды. Важно учитывать как периодические потребности, так и пиковые нагрузки, чтобы насос мог справиться с высокими требованиями.
Далее, следует обратить внимание на давление, которое способен создавать насос. Определите, на какую высоту необходимо поднимать воду, чтобы обеспечить полноценное водоснабжение всей системы. Также учтите сопротивление, которое создают трубы и фильтры в системе.
Не менее важным критерием при выборе насоса для водоснабжения является его энергоэффективность. Оцените энергопотребление насоса и рассчитайте его эксплуатационные затраты. Выбирайте насосы с высокой КПД (коэффициентом полезного действия) и продумайте возможность использования альтернативных источников энергии, таких как солнечные батареи или ветрогенераторы.
Кроме того, необходимо учесть такие факторы, как простота установки и обслуживания насоса, его надежность и долговечность. Просмотрите отзывы и рейтинги различных производителей, чтобы выбрать насос с хорошей репутацией и гарантированное качество.
В итоге, правильный выбор насоса для водоснабжения обеспечит надежную и эффективную систему, которая будет удовлетворять потребности вашего дома или квартиры. Помните, что насосы различаются по характеристикам и функционалу, поэтому тщательно анализируйте свои потребности и требования перед покупкой.
Преимущества водоснабжения через насос
Водоснабжение через насос имеет ряд преимуществ, которые делают эту систему незаменимой для различных задач.
- Надежность: Насосы для водоснабжения изготавливаются из высококачественных материалов, устойчивых к коррозии и износу. Благодаря этому, система водоснабжения через насос обеспечивает надежную работу в течение долгого времени.
- Удобство использования: Водоснабжение через насос обеспечивает постоянное давление в системе, что позволяет использовать воду в любое время и в любом количестве. Это особенно удобно для домовладельцев, садоводов и фермеров.
- Экономичность: Насосные системы эффективно используют ресурсы, так как позволяют подавать воду только в тех количествах, которые реально необходимы. Это позволяет снизить расходы на воду и электроэнергию.
- Функциональность: Водоснабжение через насос может быть использовано для различных задач, включая полив газонов и садов, заполнение бассейнов, а также снабжение водой больших промышленных объектов.
- Минимальное обслуживание: Системы водоснабжения через насос требуют минимального обслуживания. Достаточно периодически проверять работу насоса и производить его чистку от загрязнений.
В целом, использование насосных систем для водоснабжения является удобным, надежным и экономически эффективным решением для обеспечения постоянного доступа к воде.
Как правильно выбрать насос для водоснабжения
1. Расход воды
Первым шагом при выборе насоса является определение расхода воды, необходимого для вашей системы водоснабжения. Исходя из этого параметра, можно подобрать насос с нужной производительностью. Расход воды определяется в литрах в минуту (л/мин) или кубических метрах в час (м³/ч).
2. Напор
Напор — это высота, на которую насос должен поднимать воду. Он измеряется в метрах водяного столба (м). Необходимо учитывать как вертикальный, так и горизонтальный напор. Обратите внимание на максимальную высоту подъема воды и возможность создания необходимого давления в системе.
3. Тип насоса
При выборе насоса для водоснабжения необходимо определиться с типом насоса. Существуют разные виды насосов, такие как центробежные, погружные и поверхностные. Каждый тип насоса имеет свои особенности и применение. Необходимо выбирать насос, который наилучшим образом соответствует требованиям вашей системы водоснабжения.
4. Материалы изготовления
Для долговечности и надежности насоса важно обратить внимание на материалы изготовления его компонентов. Особенно это касается корпуса и рабочего колеса насоса. Рекомендуется выбирать насосы, изготовленные из нержавеющей стали или других высококачественных материалов, устойчивых к коррозии и внешним воздействиям.
5. Энергоэффективность
При выборе насоса стоит обратить внимание на его энергоэффективность. Это позволит снизить расходы на электроэнергию и повысить экономичность работы системы водоснабжения. Важно выбирать насосы, которые соответствуют требованиям по энергопотреблению и имеют высокий КПД.
| Расход воды (л/мин) | Напор (м) | Тип насоса | Материалы изготовления | Энергоэффективность |
|---|---|---|---|---|
| 50-100 | 10-20 | Центробежный | Нержавеющая сталь | Высокая |
| 100-200 | 20-30 | Погружной | Чугун | Средняя |
| 200-300 | 30-40 | Поверхностный | Пластик | Низкая |
Выбирая насос для водоснабжения, руководствуйтесь вышеуказанными критериями. Тщательно изучите характеристики и технические данные каждого предлагаемого на рынке насоса. При необходимости проконсультируйтесь с профессионалами в данной области. Внимательный подход к выбору насоса позволит обеспечить надежную и эффективную работу системы водоснабжения.
Главные критерии выбора насоса
- Производительность. Определите необходимый объем воды, который будет обеспечивать насос. Важно учитывать как максимальный расход воды, так и средний расход в различные периоды дня. Учтите возможные изменения в будущем, чтобы насос соответствовал потребностям системы.
- Давление. Рассчитайте требуемое давление в системе. Учтите высоту подъема воды, длину трубопроводов и потери давления. Насос должен обеспечивать достаточное давление для эффективной работы системы.
- Тип насоса. Выберите подходящий тип насоса в зависимости от условий эксплуатации. Для водоснабжения часто применяются поверхностные или погружные насосы. Учтите особенности установки, доступность сервиса и особенности воды (например, наличие песка).
- Энергоэффективность. Расчет потребляемой энергии и выбор энергоэффективного насоса помогут снизить затраты на электроэнергию. Учтите класс энергоэффективности и коэффициент мощности.
- Надежность и долговечность. Обратите внимание на качество и надежность производителя. Используйте насосы, которые ранее зарекомендовали себя на рынке. Оцените гарантийный срок и возможности обслуживания.
Учитывая эти критерии, вы сможете выбрать насос, который наилучшим образом соответствует вашим потребностям и обеспечит надежное и эффективное водоснабжение.
Примеры насосов для водоснабжения
При выборе насоса для водоснабжения необходимо учитывать такие параметры, как мощность, производительность, давление и глубина всасывания. Различные типы насосов могут быть применены в зависимости от особенностей конкретного объекта или системы.
1. Центробежные насосы
Центробежные насосы широко используются для водоснабжения в домах, коттеджах, офисных зданиях и других объектах с небольшим давлением и высокой производительностью. Они работают на основе принципа вращения рабочего колеса, создавая центробежную силу и перекачивая воду.
2. Погружные насосы
Погружные насосы применяются для подъема воды из скважин, колодцев и других глубоких источников. Они погружаются внутрь источника, что позволяет перекачивать воду на большую глубину. Погружные насосы обладают большим давлением и мощностью, что позволяет использовать их для водоснабжения в многоэтажных зданиях и промышленных объектах.
3. Вакуумные насосы
Вакуумные насосы используются для перекачивания воды из открытых водоемов, таких как реки, озера или водохранилища. Они создают разрежение в насосе, что приводит к подъему воды. Вакуумные насосы облегчают использование воды из естественных источников для водоснабжения без необходимости прокладывать дорогостоящие трубопроводы.
4. Дозирующие насосы
Дозирующие насосы предназначены для точной подачи определенного количества вещества, такого как химические реагенты или добавки, в систему водоснабжения. Они широко применяются в обработке воды для удаления загрязнений или поддержания определенного химического баланса.
Выбор насоса для водоснабжения должен основываться на специфических требованиях объекта или системы. Важно учитывать производительность, давление и особенности источника воды для эффективной работы системы водоснабжения.
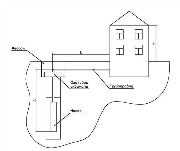
Как осуществляется установка насоса для водоснабжения
Подготовка перед установкой
Перед началом установки насоса необходимо выполнить ряд подготовительных работ:
- Определить место установки насоса. Желательно выбрать хорошо вентилируемое помещение, где будут выполнены все необходимые подключения.
- Проверить электрическое соединение. Убедиться, что на месте установки насоса есть доступ к электрической сети и соответствующая розетка.
- Разработать план системы водоснабжения. Определить расположение всех труб и фильтров, которые будут подключены к насосу.
Установка насоса
После подготовительных работ можно приступать к установке насоса:
- Разместить насос на выбранном месте, устанавливая его на специальные амортизационные подпятники, чтобы снизить вибрацию.
- Присоединить насос к электрической сети, следуя инструкциям производителя. Обязательно убедиться, что подключение правильно выполнено и соответствует требованиям безопасности.
- Подключить трубы к насосу. Используйте качественные фитинги и герметические манжеты для обеспечения надежного соединения.
- Установить фильтры и клапаны, чтобы обеспечить оптимальную работу системы.
- Проверить работу насоса. Включите его и убедитесь, что система водоснабжения функционирует без проблем.
Важно помнить, что установка насоса для водоснабжения может быть достаточно сложной процедурой, особенно для непрофессионалов. Поэтому, в случае сомнений или недостатка опыта, рекомендуется обратиться за помощью к специалистам.
Поддержка и обслуживание насоса для водоснабжения
Установка и правильное функционирование насоса для водоснабжения требуют регулярной поддержки и обслуживания. Это поможет улучшить производительность насоса и продлить его срок службы.
Регулярная инспекция и очистка
Регулярная инспекция насоса поможет выявить любые проблемы и предотвратить их развитие. При инспекции следует проверить состояние привода, механизма управления, электродвигателя и системы охлаждения. Также необходимо проверить и очистить фильтры и отборные клапаны, чтобы предотвратить засорение системы.
Обслуживание электродвигателя
Электродвигатель является одной из ключевых частей насоса. Регулярное обслуживание и техническое обслуживание этой части поможет улучшить его надежность и производительность. Рекомендуется проверять и очищать вентиляционные отверстия, проверять и заменять погрешности в изоляции, а также смазывать подшипники.
Проверка и обслуживание сальников
Сальники — это важные компоненты насоса, которые предотвращают потерю воды и контакт между рабочей средой и насосом. Регулярная проверка и обслуживание сальников помогут предотвратить утечку и повреждения насосной системы. Рекомендуется проверять состояние сальников, а также смазывать и заменять их при необходимости.
Использование оригинальных запчастей
При замене компонентов насосной системы рекомендуется использовать оригинальные запчасти от производителя насоса. Это поможет гарантировать совместимость, надежность и производительность насоса. Использование неоригинальных запчастей может привести к проблемам в работе насоса и снижению его срока службы.
Поэтому, регулярная поддержка и обслуживание насоса для водоснабжения являются ключевыми факторами для его эффективной и надежной работы. Уделение внимания этим аспектам поможет предотвратить ремонтные работы и снизить расходы на обслуживание насосной системы в будущем.
Расчет мощности насоса для водоснабжения
Первым шагом в расчете мощности насоса является определение объема воды, необходимого для обеспечения потребителей в течение определенного времени. Для этого необходимо учесть количество потребителей, их потребность в воде и режим их использования.
Далее необходимо определить максимальную высоту подъема воды, которую должен обеспечивать насос. Это связано с различными факторами, такими как гидростатическое давление, трение в трубопроводе и высота подъема воды к потребителям. В случае, если в системе присутствует наличие насоса повышения давления, необходимо учесть потери на трение.
Следующим шагом является определение гидравлической мощности насоса. Гидравлическая мощность выражается в ваттах и рассчитывается по формуле:
Pгид = (ρ * g * Q * H) / η
где:
Pгид — гидравлическая мощность насоса, Вт;
ρ — плотность воды, кг/м³;
g — ускорение свободного падения, м/с²;
Q — расход воды, м³/с;
H — напор, м;
η — КПД насоса, доли единицы.
Наконец, для определения электрической мощности насоса необходимо учесть КПД электродвигателя, который характеризует эффективность преобразования электрической энергии в механическую. Электрическая мощность может быть рассчитана по формуле:
Pэл = Pгид / КПДэл
где:
Pэл — электрическая мощность насоса, Вт;
КПДэл — КПД электродвигателя, доли единицы.
После проведения всех необходимых расчетов, можно выбрать насос с подходящей мощностью, обеспечивающий требуемый расход и напор в системе водоснабжения.
Стоимость и гарантия насосов для водоснабжения
Стоимость насосов для водоснабжения может варьироваться в зависимости от их мощности, производителя и функциональных возможностей. В среднем, цена насосов для водоснабжения начинается от нескольких тысяч рублей и может достигать значительных сумм в зависимости от требуемой производительности и дополнительных функций.
При выборе насоса для водоснабжения необходимо обратить внимание на такие параметры, как мощность, производительность, максимальное рабочее давление и энергоэффективность. Также следует учитывать особенности водной среды (наличие примесей, песка, грунтовых вод), чтобы подобрать насос, который справится с данными условиями.
Гарантия на насосы для водоснабжения обычно составляет от 1 до 2 лет. В некоторых случаях производители предоставляют расширенную гарантию, которая может достигать 5 лет или более. Важно ознакомиться с гарантийными условиями перед покупкой насоса, чтобы быть уверенным в возможности обращения за обслуживанием и ремонтом в случае неисправностей.
При выборе насоса для водоснабжения стоит обратиться к специалистам, которые помогут определить оптимальные параметры для вашего конкретного случая и подобрать насос с учетом ваших требований и бюджета. Также рекомендуется изучить отзывы других пользователей о конкретной модели насоса, чтобы получить более объективную информацию о его качестве и надежности.
Вопрос-ответ:
Как рассчитать мощность насоса для водоснабжения?
Какую мощность насоса выбрать для водоснабжения загородного дома?
Как определить высоту подъема воды для расчета насоса?
Можно ли использовать насос меньшей мощности для водоснабжения?
Какой насос выбрать для водоснабжения дома?
Как рассчитать необходимую производительность насоса для водоснабжения дачи?
Какую мощность должен иметь насос для водоснабжения загородного дома?
Можно ли самостоятельно рассчитать необходимый насос для водоснабжения?
Какие параметры необходимо учесть при выборе насоса для водоснабжения коттеджа?
Видео:
#211 Что делать, если гудит циркуляционный насос?
Как выбрать и установить циркуляционный насос для котла отопления. Рекомендации от "Горняк"
-
Насос джамбо — самое мощное оборудование для перекачки жидкостей -
Применение насосов в системах водоснабжения — особенности выбора и преимущества -
Как самостоятельно разобрать и собрать водяной насос — подробная инструкция с фото и пошаговая расписка










